服務熱線

| ltems | Standard | |
| Operating temperature range | -20℃ to +70℃ | |
| Electrical performance | Rating | 100mA.,12V DC | 
| Insulation resistance | 100MΩ min.100V DC | |
| Dielectric strength | 250V AC for 1 min. | |
| Contact resistance | 100mΩ max. | |
| Durability | Lifetime | J:100,000 Cycles | 
| Mechanical performance | Operating force | J:160gf | 
| Travel | 0.25±0.1mm | |
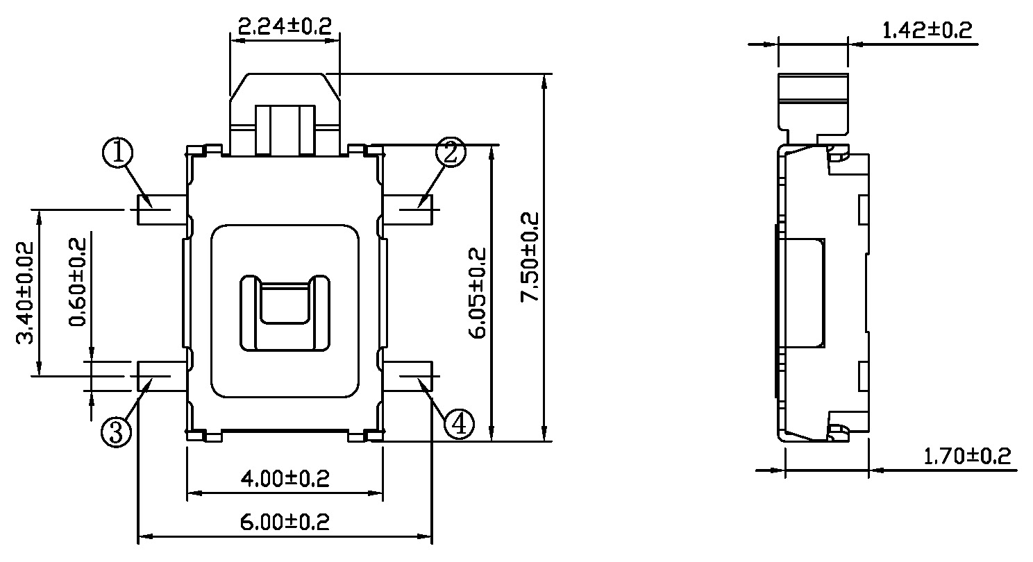
| Proudcts | Dimensions | Circuit Diagram | 
| Pad Layout | ||
|  |  |  |